G型單螺桿泵產品概述
單螺桿是按迥轉嚙合容積式原理工作的新型泵種,主要工作部件是偏心螺桿(轉子)和固定的襯套(定子)。
由于螺桿泵二部件的特殊幾何形狀,分別形成單獨的密封容腔,介質由軸向均勻推行流動,內部流速低,容積保持不變,壓力穩定,因而不會產生渦流和攪動。每級泵的輸出壓力為0.6MPa,揚程60m(清水),自吸高度一般在6m,適用于輸送介質溫度80℃以下(特殊要求可達150℃)。
因定子選用多種彈性材料制成,所以這種泵對高粘度流體的輸送和含有硬質懸浮顆粒介質或含有纖維介質的輸送,有一般泵種所不能勝任的特點。其流量與轉速成正比。
傳動可采用聯軸器直接傳動,或采用調速電機,三角帶,變速箱等裝置變速。
這種泵零件少,結構緊湊,體積小,維修簡便,轉子和定子是本泵的易損件,結構簡單,便于裝拆。
正確選擇G型單螺桿泵在污水處理
G型單螺桿泵技術參數
流量:0-150m3/h;
揚程:60-120m;
功率:0.75-37kw;
轉速:500-960r/min;
口徑:20-135MM;
溫度:-15-200℃
G型單螺桿泵型號意義

離心泵廠家-新光明推薦您查看以下產品和新聞知識:
G型單螺桿泵性能參數
型號 | 流量 | 壓力 | 允許較 | 電機 | 必需汽 | 進口法 | 出口法 | 允許顆 | 允許纖 |
G20-1 | 0.8 | 0.6 | 960 | 0.75 | 4 | 25 | 25 | 1.5 | 25 |
G20-2 | 1.2 | 1.5 | |||||||
G25-1 | 2 | 0.6 | 960 | 1.5 | 32 | 25 | 2 | 30 | |
G25-2 | 1.2 | 2.2 | |||||||
G30-1 | 5 | 0.6 | 960 | 2.2 | 50 | 40 | 2.5 | 35 | |
G30-2 | 1.2 | 3 | |||||||
G35-1 | 8 | 0.6 | 960 | 3 | 65 | 50 | 3 | 40 | |
G35-2 | 1.2 | 4 | |||||||
G40-1 | 12 | 0.6 | 960 | 4 | 80 | 65 | 3.8 | 45 | |
G40-2 | 1.2 | 5.5 | |||||||
G50-1 | 20 | 0.6 | 960 | 5.5 | 4.5 | 100 | 80 | 5 | 50 |
G50-2 | 1.2 | 7.5 | |||||||
G60-1 | 30 | 0.6 | 720 | 11 | 5 | 125 | 100 | 6 | 60 |
G60-2 | 1.2 | 15 | |||||||
G70-1 | 45 | 0.6 | 720 | 11 | 150 | 125 | 8 | 70 | |
G70-2 | 1.2 | 18.5 | |||||||
G85-1 | 65 | 0.6 | 630 | 15 | 150 | 150 | 10 | 80 | |
G85-2 | 1.2 | 30 | |||||||
G105-1 | 100 | 0.6 | 500 | 30 | 200 | 200 | 15 | 110 | |
G105-2 | 1.2 | 55 | |||||||
G135-1 | 150 | 0.6 | 400 | 45 | 250 | 250 | 20 | 150 | |
G135-2 | 1.2 | 90 |
型號 | 壓力0.3Mpa | 壓力0.6Mpa | 可調轉數 | ||||||
轉數(r/min) | 流量(m3/h) | 電動機功率(kw) | 轉數(r/min) | 流量(m3/h) | 電動機功率(kw) | 轉數(r/min) | 流量(m3/h) | 電動機功率(kw) | |
G20-1 | 960 | 0.96 | 0.75-6級 | 960 | 0.8 | 0.75-6級 | 125~1250 | 0.1~1.5 | 1.1 |
720 | 0.8 | 0.55-8級 | 720 | 0.5 | 0.75-8級 | ||||
510 | 0.4 | 0.55-4級/齒輪箱 | 510 | 0.3 | 0.75-4級/齒輪箱 | ||||
G25-1 | 960 | 2.4 | 0.75-6級 | 960 | 2 | 1.5-6級 | 125~1250 | 0.1~3 | 1.5 |
720 | 1.5 | 0.55-8級 | 720 | 1.27 | 1.1-8級 | ||||
510 | 1.08 | 0.55-4級/齒輪箱 | 510 | 0.9 | 1.1-4級/齒輪箱 | ||||
G30-1 | 960 | 3.6 | 1.5-6級 | 960 | 3 | 2.2-6級 | 125~1250 | 0.2~4 | 2.2 |
720 | 2.28 | 1.1-8級 | 720 | 1.9 | 1.5-8級 | ||||
510 | 1.63 | 1.1-4級/齒輪箱 | 510 | 1.35 | 1.5-4級/齒輪箱 | ||||
G35-1 | 720 | 4.8 | 2.2-8級 | 720 | 4.04 | 3-8級 | 125~890 | 0.3~5 | 3 |
510 | 3.36 | 1.5-4級/齒輪箱 | 510 | 2.8 | 2.2-4級/齒輪箱 | ||||
380 | 1.92 | 1.1-4級/齒輪箱 | 380 | 1.60 | 1.5-4級/齒輪箱 | ||||
G40-1 | 510 | 6.8 | 2.2-4級/齒輪箱 | 510 | 5.6 | 3-4級/齒輪箱 | 125~890 | 0.3~10 | 4 |
380 | 5.1 | 1.5-4級/齒輪箱 | 380 | 4 | 2.2-4級/齒輪箱 | ||||
252 | 2.65 | 1.1-6級/齒輪箱 | 252 | 2.2 | 1.5-6級/齒輪箱 | ||||
G50-1 | 510 | 13.8 | 4-4級/齒輪箱 | 510 | 11.5 | 5.5-4級/齒輪箱 | 80~750 | 1~18 | 5.5 |
380 | 10.2 | 4-4級/齒輪箱 | 380 | 7.5 | 5.5-4級/齒輪箱 | ||||
252 | 5.6 | 3-6級/齒輪箱 | 252 | 4.4 | 5.5-6級/齒輪箱 | ||||
G60-1 | 510 | 20.8 | 7.5-4級/齒輪箱 | 510 | 16 | 11-4級/齒輪箱 | 63~630 | 1~20 | 11 |
380 | 15.6 | 7.5-4級/齒輪箱 | 380 | 12 | 11-4級/齒輪箱 | ||||
252 | 7.8 | 5.5-6級/齒輪箱 | 252 | 6 | 7.5-6級/齒輪箱 | ||||
G70-1 | 510 | 26 | 11-4級/齒輪箱 | 510 | 20 | 11-4級/齒輪箱 | 56~560 | 1~22 | 11 |
380 | 17 | 7.5-4級/齒輪箱 | 380 | 13 | 11-4級/齒輪箱 | ||||
252 | 9.1 | 7.5-6級/齒輪箱 | 252 | 7 | 7.5-6級/齒輪箱 | ||||
G85-1 | 380 | 32 | 11-4級/齒輪箱 | 380 | 25 | 15-4級/齒輪箱 | 37~370 | 2~24 | 15 |
252 | 21 | 7.5-6級/齒輪箱 | 252 | 16 | 11-6級/齒輪箱 | ||||
189 | 11 | 5.5-8級/齒輪箱 | 189 | 8 | 11-8級/齒輪箱 | ||||
G105-1 | 380 | 80 | 15-4級/齒輪箱 | 380 | 65 | 22-4級/齒輪箱 | 29~290 | 3~50 | 22 |
252 | 44 | 15-6級/齒輪箱 | 252 | 34 | 22-6級/齒輪箱 | ||||
189 | 29 | 11-8級/齒輪箱 | 189 | 22 | 15-8級/齒輪箱 | ||||
G135-1 | 380 | 132 | 37-4級/齒輪箱 | 380 | 120 | 45-4級/齒輪箱 | 18~180 | 3~56 | 45 |
252 | 95 | 30-6級/齒輪箱 | 252 | 80 | 37-6級/齒輪箱 | ||||
189 | 65 | 18.5-6級/齒輪箱 | 189 | 53 | 30-8級/齒輪箱 | ||||
型號 | 壓力0.8Mpa | 壓力1.2Mpa | 可調轉數 | ||||||
轉數(r/min) | 流量(m3/h) | 電動機功率(kw) | 轉數(r/min) | 流量m3/h) | 電動機功率(kw) | 轉數r/min) | 流量m3/h) | 電動機功率(kw) | |
G20-2 | 960 | 0.96 | 1.5-6級 | 960 | 0.8 | 1.5-6級 | 125~1250 | 0.1~1.5 | 1.5 |
720 | 0.8 | 1.1-8級 | 720 | 0.5 | 1.5-8級 | ||||
510 | 0.4 | 1.1-4級/齒輪箱 | 510 | 0.3 | 1.1-4級/齒輪箱 | ||||
G25-2 | 960 | 2.4 | 1.5-6級 | 960 | 2 | 2.2-6級 | 125~1250 | 0.1~3 | 2.2 |
720 | 1.5 | 1.1-8級 | 720 | 1.27 | 1.5-8級 | ||||
510 | 1.08 | 1.1-4級/齒輪箱 | 510 | 0.9 | 1.5-4級/齒輪箱 | ||||
G30-2 | 960 | 3.6 | 3-6級 | 960 | 3 | 3-6級 | 125~1250 | 0.2~4 | 3 |
720 | 2.28 | 1.5-8級 | 720 | 1.9 | 2.2-8級 | ||||
510 | 1.63 | 1.5-4級/齒輪箱 | 510 | 1.35 | 2.2-4級/齒輪箱 | ||||
G35-2 | 720 | 4.8 | 3-8級 | 720 | 4.04 | 4-8級 | 125~890 | 0.3~5 | 4 |
510 | 3.36 | 2.2-4級/齒輪箱 | 510 | 2.8 | 3-4級/齒輪箱 | ||||
380 | 1.92 | 1.5-4級/齒輪箱 | 380 | 1.60 | 2.2-4級/齒輪箱 | ||||
G40-2 | 510 | 6.8 | 4-4級/齒輪箱 | 510 | 5.6 | 5.5-4級/齒輪箱 | 125~890 | 0.3~10 | 5.5 |
380 | 5.1 | 3-4級/齒輪箱 | 380 | 4 | 4-4級/齒輪箱 | ||||
252 | 2.65 | 2.2-6級/齒輪箱 | 252 | 2.2 | 3-6級/齒輪箱 | ||||
G50-2 | 510 | 13.8 | 5.5-4級/齒輪箱 | 510 | 11.5 | 7.5-4級/齒輪箱 | 80~750 | 1~18 | 7.5 |
380 | 10.2 | 4-4級/齒輪箱 | 380 | 7.5 | 5.5-4級/齒輪箱 | ||||
252 | 5.6 | 3-6級/齒輪箱 | 252 | 4.4 | 5.5-6級/齒輪箱 | ||||
G60-2 | 510 | 20.8 | 15-4級/齒輪箱 | 510 | 16 | 15-4級/齒輪箱 | 63~630 | 1~20 | 15 |
380 | 15.6 | 11-4級/齒輪箱 | 380 | 12 | 15-4級/齒輪箱 | ||||
252 | 7.8 | 7.5-6級/齒輪箱 | 252 | 6 | 11-6級/齒輪箱 | ||||
G70-2 | 510 | 26 | 15-4級/齒輪箱 | 510 | 20 | 18.5-4級/齒輪箱 | 56~560 | 1~22 | 18.5 |
380 | 17 | 11-4級/齒輪箱 | 380 | 13 | 15-4級/齒輪箱 | ||||
252 | 9.1 | 11-6級/齒輪箱 | 252 | 7 | 11-6級/齒輪箱 | ||||
G85-2 | 380 | 32 | 18.5-4級/齒輪箱 | 380 | 25 | 22-4級/齒輪箱 | 37~370 | 2~24 | 22 |
252 | 21 | 15-6級/齒輪箱 | 252 | 16 | 18.5-6級/齒輪箱 | ||||
189 | 11 | 15-8級/齒輪箱 | 189 | 8 | 15-8級/齒輪箱 | ||||
G105-2 | 380 | 80 | 30-4級/齒輪箱 | 380 | 65 | 37-4級/齒輪箱 | 29~290 | 3~50 | 37 |
252 | 44 | 30-6級/齒輪箱 | 252 | 34 | 30-6級/齒輪箱 | ||||
189 | 29 | 22-8級/齒輪箱 | 189 | 22 | 22-8級/齒輪箱 | ||||
G135-2 | 380 | 132 | 55-4級/齒輪箱 | 380 | 120 | 75-4級/齒輪箱 | 18~180 | 3~56 | 75 |
252 | 95 | 55-6級/齒輪箱 | 252 | 80 | 75-6級/齒輪箱 | ||||
189 | 65 | 37-8級/齒輪箱 | 189 | 53 | 45-8級/齒輪箱 | ||||
泵型 | 流量(m3/h) | 工作壓力(Mpa) | 轉數(r/min) | 齒輪減速配套調速電機(kw) |
G30-2 | ~1 | 1.2 | 30~300 | YCT160/4A-2.2 |
G35-2 | ~2 | 1.2 | 30~300 | YCT160/4A-2.2 |
G40-2 | ~3 | 1.2 | 30~280 | YCT160/4A-3 |
G50-1 | ~4.5 | 0.6 | 28~280 | YCT180/4A-4 |
G50-2 | ~4.5 | 1.2 | 28~280 | YCT200/4A-5.5 |
G60-1 | ~6.5 | 0.6 | 25~250 | YCT200/4A-5.5 |
G60-2 | ~6.5 | 1.2 | 25~250 | YCT200/4B-7.5 |
G70-1 | ~8 | 0.6 | 25~250 | YCT200/4B-7.5 |
G85-1 | ~12.5 | 0.6 | 18~180 | YCT225/4A-11 |
G105-1 | ~20 | 0.6 | 14~140 | YCT225/4B-15 |
G135-1 | ~35 | 0.6 | 10~100 | YCT250/4B-22 |
G型螺桿泵結構緊湊,體積小,維修簡便。對介質的適應性強,流量平穩,壓力脈動小,自吸能力高。工作溫度可達120℃,如果需輸送120℃-350℃高溫介質,可定做。廣泛用于食品、冶金、造紙、印染、化工、化肥、制藥等工業部門。
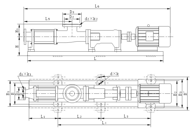
G型單螺桿泵安裝尺寸圖










